Toyota Tacoma manuals

Toyota Tacoma (2015-2018) Service Manual: Short in Front Passenger Side Squib 2nd Step Circuit (B1815/54-B1818/54)

Toyota Tacoma (2015-2018) Service Manual / Supplemental Restraint Systems / Airbag System / Short in Front Passenger Side Squib 2nd Step Circuit (B1815/54-B1818/54)

DESCRIPTION

The front passenger side squib 2nd step circuit consists of the airbag sensor assembly and the instrument panel passenger without door airbag assembly.

The circuit signals the SRS to deploy when airbag deployment conditions are met.

These DTCs are set when a malfunction is detected in the front passenger side squib 2nd step circuit.

DTC No.

DTC Detecting Conditions

Trouble Areas

B1815/54

  • The airbag sensor assembly receives a line short circuit signal in the front passenger side squib 2nd step circuit for 2 seconds
  • Front passenger side squib 2nd step malfunction
  • Airbag sensor assembly malfunction
  • Instrument panel wire
  • Instrument panel wire assembly
  • Instrument panel passenger without door airbag assembly (Front passenger side squib 2nd step)
  • Airbag sensor assembly

B1816/54

  • The airbag sensor assembly receives an open circuit signal in the front passenger side squib 2nd step circuit for 2 seconds
  • Front passenger side squib 2nd step malfunction
  • Airbag sensor assembly malfunction
  • Instrument panel wire
  • Instrument panel wire assembly
  • Instrument panel passenger without door airbag assembly (Front passenger side squib 2nd step)
  • Airbag sensor assembly

B1817/54

  • The airbag sensor assembly receives a short circuit to ground signal in the front passenger side squib 2nd step circuit for 0.5 seconds
  • Front passenger side squib 2nd step malfunction
  • Airbag sensor assembly malfunction
  • Instrument panel wire
  • Instrument panel wire assembly
  • Instrument panel passenger without door airbag assembly (Front passenger side squib 2nd step)
  • Airbag sensor assembly

B1818/54

  • The airbag sensor assembly receives a short circuit to B+ signal in the front passenger side squib 2nd step circuit for 0.5 seconds
  • Front passenger side squib 2nd step malfunction
  • Airbag sensor assembly malfunction
  • Instrument panel wire
  • Instrument panel wire assembly
  • Instrument panel passenger without door airbag assembly (Front passenger side squib 2nd step)
  • Airbag sensor assembly

WIRING DIAGRAM

CAUTION / NOTICE / HINT

CAUTION / NOTICE / HINT

NOTICE:

After turning the ignition switch off, waiting time may be required before disconnecting the cable from the negative (-) battery terminal. Therefore, make sure to read the disconnecting the cable from the negative (-) battery terminal notices before proceeding with work (See page ).

HINT:

  • Perform the simulation method by selecting check mode (Signal Check) using the Techstream (See page After selecting check mode (Signal Check), perform the simulation method ).
  • After selecting check mode (Signal Check), perform the simulation method by wiggling each connector of the airbag system or driving the vehicle on a city road or rough road (See page ). ).

PROCEDURE

1.

CHECK DTC OUTPUT

(a) Proceed to the appropriate step according to the DTC readings.

(1) If using the Techstream (read the 5-digit DTCs): Using the Techstream, check for DTCs (See page Result ).

Result

Result

Proceed to

DTC B1815 is output.

A

DTC B1816 is output.

B

DTC B1817 is output.

C

DTC B1818 is output.

D

B

GO TO STEP 7

C

GO TO STEP 11

D

GO TO STEP 15

A

2.

CHECK CONNECTOR

(a) Turn the ignition switch off.

(b) Disconnect the negative (-) terminal cable from the battery, and wait for at least 90 seconds.

(c) Check that the instrument panel wire assembly connectors (on the instrument panel passenger without door airbag assembly side) are not damaged.

OK:

The lock button is not disengaged, and the claw of the lock is not deformed or damaged.

NG

REPLACE INSTRUMENT PANEL WIRE ASSEMBLY

OK

3.

CHECK CONNECTION OF CONNECTORS

(a) Check that the connectors are properly connected to the airbag sensor assembly and the instrument panel wire assembly.

OK:

The connectors are properly connected.

NG

CONNECT CONNECTORS

OK

4.

CHECK INSTRUMENT PANEL WIRE ASSEMBLY (FOR SHORT)

(a) Disconnect the instrument panel wire assembly connectors from the instrument panel wire and instrument panel passenger without door airbag assembly.

(b) Release the activation prevention mechanism built into connector D (See page (c) Measure the resistance according to the value(s) in the table below. ).

(c) Measure the resistance according to the value(s) in the table below.

Standard Resistance:

Tester Connection

Condition

Specified Condition

A24-1 (P2+) - A24-2 (P2-)

Always

1 MΩ or Higher

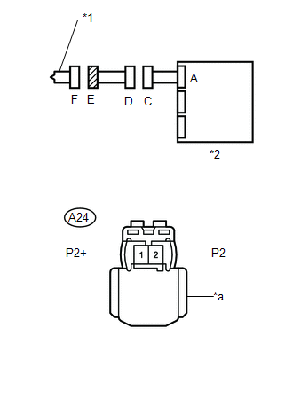
Text in Illustration

*1

Front Passenger Side Squib 2nd Step

*2

Airbag Sensor Assembly

*a

Color: Black

NG

REPLACE INSTRUMENT PANEL WIRE ASSEMBLY

OK

5.

CHECK INSTRUMENT PANEL WIRE (FOR SHORT)

(a) Disconnect the instrument panel wire connector from the airbag sensor assembly.

(b) Release the activation prevention mechanism built into connector B (See page (c) Measure the resistance according to the value(s) in the table below. ).

(c) Measure the resistance according to the value(s) in the table below.

Standard Resistance:

Tester Connection

Condition

Specified Condition

IG1-3 (P2+) - IG1-4 (P2-)

Always

1 MΩ or Higher

Text in Illustration

*1

Front Passenger Side Squib 2nd Step

*2

Instrument Panel Wire Assembly

*3

Instrument Panel Wire

*4

Airbag Sensor Assembly

NG

REPLACE INSTRUMENT PANEL WIRE

OK

6.

CHECK AIRBAG SENSOR ASSEMBLY

(a) Connect the instrument panel wire connectors to the airbag sensor assembly and instrument panel wire assembly.

(b) Connect the negative (-) terminal cable to the battery, and wait for at least 2 seconds.

(c) Turn the ignition switch to ON, and wait for at least 60 seconds.

(d) Clear any DTCs stored in the memory (See page (e) Turn the ignition switch off. ).

(e) Turn the ignition switch off.

(f) Turn the ignition switch to ON, and wait for at least 60 seconds.

(g) Check for DTCs (See page OK: ).

OK:

DTC B1815 is not output.

Text in Illustration

*1

Front Passenger Side Squib 2nd Step

*2

Airbag Sensor Assembly

HINT:

DTCs other than B1815 may be output at this time, but they are not related to this check.

Result

Result

Proceed to

NG

A

OK

B

A

REPLACE AIRBAG SENSOR ASSEMBLY

B

GO TO STEP 20

7.

CHECK CONNECTOR

(a) Turn the ignition switch off.

(b) Disconnect the negative (-) terminal cable from the battery, and wait for at least 90 seconds.

(c) Check that the instrument panel wire assembly connectors (on the instrument panel passenger without door airbag assembly side) are not damaged.

OK:

The lock button is not disengaged, and the claw of the lock is not deformed or damaged.

NG

REPLACE INSTRUMENT PANEL WIRE ASSEMBLY

OK

8.

CHECK CONNECTION OF CONNECTORS

(a) Check that the connectors are properly connected to the airbag sensor assembly and the instrument panel wire assembly.

OK:

The connectors are properly connected.

NG

CONNECT CONNECTORS

OK

9.

CHECK INSTRUMENT PANEL WIRE ASSEMBLY (FOR OPEN)

(a) Disconnect the instrument panel wire assembly connectors from the instrument panel wire and horn button assembly.

(b) Measure the resistance according to the value(s) in the table below.

Standard Resistance:

Tester Connection

Condition

Specified Condition

A24-1 (P2+) - A24-2 (P2-)

Always

Below 1 Ω

Text in Illustration

*1

Front Passenger Side Squib 2nd Step

*2

Airbag Sensor Assembly

*a

Color: Black

NG

REPLACE INSTRUMENT PANEL WIRE ASSEMBLY

OK

10.

CHECK INSTRUMENT PANEL WIRE (FOR OPEN)

(a) Disconnect the instrument panel wire connector assembly from the airbag sensor assembly.

(b) Measure the resistance according to the value(s) in the table below.

Standard Resistance:

Tester Connection

Condition

Specified Condition

IG1-3 (P2+) - IG1-4 (P2-)

Always

Below 1 Ω

Text in Illustration

*1

Front Passenger Side Squib 2nd Step

*2

Instrument Panel Wire Assembly

*3

Instrument Panel Wire

*4

Airbag Sensor Assembly

Result

Result

Proceed to

NG

A

OK

B

A

REPLACE INSTRUMENT PANEL WIRE

B

GO TO STEP 19

11.

CHECK CONNECTOR

(a) Turn the ignition switch off.

(b) Disconnect the negative (-) terminal cable from the battery, and wait for at least 90 seconds.

(c) Check that the instrument panel wire assembly connectors (on the instrument panel passenger without door airbag assembly side) are not damaged.

OK:

The lock button is not disengaged, and the claw of the lock is not deformed or damaged.

NG

REPLACE INSTRUMENT PANEL WIRE ASSEMBLY

OK

12.

CHECK CONNECTION OF CONNECTORS

(a) Check that the connectors are properly connected to the airbag sensor assembly and the instrument panel wire assembly.

OK:

The connectors are properly connected.

NG

CONNECT CONNECTORS

OK

13.

CHECK INSTRUMENT PANEL WIRE ASSEMBLY (TO GROUND)

(a) Disconnect the spiral cable with sensor sub-assembly connectors from the instrument panel wire and horn button assembly.

(b) Measure the resistance according to the value(s) in the table below.

Standard Resistance:

Tester Connection

Condition

Specified Condition

A24-1 (P2+) - Body ground

Always

1 MΩ or Higher

A24-2 (P2-) - Body ground

Always

1 MΩ or Higher

Text in Illustration

*1

Front Passenger Side Squib 2nd Step

*2

Airbag Sensor Assembly

*a

Color: Black

NG

REPLACE INSTRUMENT PANEL WIRE ASSEMBLY

OK

14.

CHECK INSTRUMENT PANEL WIRE (TO GROUND)

(a) Disconnect the instrument panel wire connector from the airbag sensor assembly.

(b) Measure the resistance according to the value(s) in the table below.

Standard Resistance:

Tester Connection

Condition

Specified Condition

IG1-3 (P2+) - Body ground

Always

1 MΩ or Higher

IG1-4 (P2-) - Body ground

Always

1 MΩ or Higher

Text in Illustration

*1

Front Passenger Side Squib 2nd Step

*2

Instrument Panel Wire Assembly

*3

Instrument Panel Wire

*4

Airbag Sensor Assembly

Result

Result

Proceed to

NG

A

OK

B

A

REPLACE INSTRUMENT PANEL WIRE

B

GO TO STEP 19

15.

CHECK CONNECTOR

(a) Turn the ignition switch off.

(b) Disconnect the negative (-) terminal cable from the battery, and wait for at least 90 seconds.

(c) Check that the instrument panel wire assembly connectors (on the instrument panel passenger without door airbag assembly side) are not damaged.

OK:

The lock button is not disengaged, and the claw of the lock is not deformed or damaged.

NG

REPLACE INSTRUMENT PANEL WIRE ASSEMBLY

OK

16.

CHECK CONNECTION OF CONNECTORS

(a) Check that the connectors are properly connected to the airbag sensor assembly and the instrument panel wire assembly.

OK:

The connectors are properly connected.

NG

CONNECT CONNECTORS

OK

17.

CHECK INSTRUMENT PANEL WIRE ASSEMBLY (TO B+)

(a) Disconnect the instrument panel wire assembly connectors from the instrument panel wire and horn button assembly.

(b) Connect the negative (-) terminal cable to the battery, and wait for at least 2 seconds.

(c) Turn the ignition switch to ON.

(d) Measure the voltage according to the value(s) in the table below.

Standard Voltage:

Tester Connection

Switch Condition

Specified Condition

A24-1 (P2+) - Body ground

Ignition switch ON

Below 1 V

A24-2 (P2-) - Body ground

Ignition switch ON

Below 1 V

Text in Illustration

*1

Front Passenger Side Squib 2nd Step

*2

Airbag Sensor Assembly

*a

Color: Black

NG

REPLACE INSTRUMENT PANEL WIRE ASSEMBLY

OK

18.

CHECK INSTRUMENT PANEL WIRE (TO B+)

(a) Turn the ignition switch off.

(b) Disconnect the negative (-) terminal cable from the battery, and wait for at least 90 seconds.

(c) Disconnect the instrument panel wire connector from the airbag sensor assembly.

(d) Connect the negative (-) terminal cable to the battery, and wait for at least 2 seconds.

(e) Turn the ignition switch to ON.

(f) Measure the voltage according to the value(s) in the table below.

Standard Voltage:

Tester Connection

Condition

Specified Condition

IG1-3 (P2+) - Body ground

Always

Below 1 V

IG1-4 (P2-) - Body ground

Always

Below 1 V

Text in Illustration

*1

Front Passenger Side Squib 2nd Step

*2

Instrument Panel Wire Assembly

*3

Instrument Panel Wire

*4

Airbag Sensor Assembly

NG

REPLACE INSTRUMENT PANEL WIRE

OK

19.

CHECK AIRBAG SENSOR ASSEMBLY

HINT:

HINT:

If continuing from step 14, begin from (a). If continuing from any other step, begin from (c).

(a) Turn the ignition switch off.

(b) Disconnect the negative (-) terminal cable from the battery, and wait for at least 90 seconds.

(c) Connect the connectors to the airbag sensor assembly.

(d) Using a service wire, connect A24-1 (P2+) and A24-2 (P2-) of connector E.

NOTICE:

  • Twist the end of the service wire in order to insert it into the connector.
  • Do not forcibly insert the twisted service wire into the terminals of the connector when connecting.

(e) Connect the negative (-) terminal cable to the battery, and wait for at least 2 seconds.

(f) Turn the ignition switch to ON, and wait for at least 60 seconds.

(g) Clear any DTCs stored in the memory (See page (h) Turn the ignition switch off. ).

(h) Turn the ignition switch off.

(i) Turn the ignition switch to ON, and wait for at least 60 seconds.

(j) Check for DTCs (See page OK: ).

OK:

DTCs B1816, B1817 and B1818 are not output.

Text in Illustration

*1

Front Passenger Side Squib 2nd Step

*2

Airbag Sensor Assembly

*3

Service Wire

*a

Color: Black

HINT:

DTCs other than B1816, B1817 or B1818 may be output at this time, but they are not related to this check.

NG

REPLACE AIRBAG SENSOR ASSEMBLY

OK

20.

CHECK INSTRUMENT PANEL PASSENGER WITHOUT DOOR AIRBAG ASSEMBLY (FRONT PASSENGER SIDE SQUIB 2nd STEP)

HINT:

HINT:

If continuing from step 19, begin from (c). If continuing from any other step, being from (a).

(a) Turn the ignition switch off.

(b) Disconnect the negative (-) terminal cable from the battery, and wait for at least 90 seconds.

(c) Disconnect the service wire from connector C.

(d) Connect the connectors to the instrument panel passenger without door airbag assembly.

(e) Connect the negative (-) terminal cable to the battery, and wait for at least 2 seconds.

(f) Turn the ignition switch to ON, and wait for at least 60 seconds.

(g) Clear any DTCs stored in the memory (See page (h) Turn the ignition switch off. ).

(h) Turn the ignition switch off.

(i) Turn the ignition switch to ON, and wait for at least 60 seconds.

(j) Check for DTCs (See page OK: ).

OK:

DTC B1815, B1816, B1817 and B1818 are not output.

Text in Illustration

*1

Front Passenger Side Squib 2nd Step

*2

Airbag Sensor Assembly

HINT:

DTCs other than B1815, B1816, B1817 or B1818 may be output at this time, but they are not related to this check.

OK

USE SIMULATION METHOD TO CHECK

NG

REPLACE INSTRUMENT PANEL PASSENGER WITHOUT DOOR AIRBAG ASSEMBLY

Vehicle Control History
VEHICLE CONTROL HISTORY 1. Function Overview (a) The vehicle control history is a function that records control data (record data) when triggered by specific vehicle behavior. When DTCs are not de ...

Short in Side Squib RH Circuit (B1820/55-B1823/55)
DESCRIPTION The side squib RH circuit consists of the airbag sensor assembly and the front seat airbag assembly RH. The circuit signals the SRS to deploy when airbag deployment conditions are met. ...

Other materials:

Inspection
INSPECTION PROCEDURE 1. INSPECT REAR SPEAKER ASSEMBLY (w/o Amplifier Box Speaker Assembly) (a) Measure the resistance according to the value(s) in the table below. Standard resistance: Tester Connection Condition Specified Condition 1 - 2 ...

Terminals Of Ecu
TERMINALS OF ECU 1. MOBILE WIRELESS CHARGER CRADLE ASSEMBLY Tester Connection Wiring Color Terminal Description Condition Specified Condition M5-1 (ACC) - M5-5 (PGND) GR - W-B Power source (ACC) ...

How To Proceed With Troubleshooting
CAUTION / NOTICE / HINT HINT: Use these procedures to troubleshoot the lane departure alert system. *: Use the Techstream. PROCEDURE 1. VEHICLE BROUGHT TO WORKSHOP NEXT ...

© 2011-2026 Copyright www.ttguide.net