Toyota Tacoma manuals

Toyota Tacoma (2015-2018) Service Manual: PTC Heater Circuit

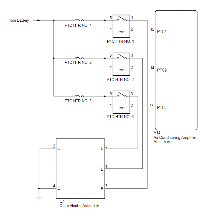
DESCRIPTION

PTC HTR heater relays are closed in accordance with signals from the air conditioning amplifier assembly and power is supplied to the quick heater assembly installed on the radiator heater unit.

WIRING DIAGRAM

CAUTION / NOTICE / HINT

CAUTION / NOTICE / HINT

NOTICE:

Inspect the fuses for circuits related to this system before performing the following inspection procedure.

PROCEDURE

1.

PERFORM ACTIVE TEST USING TECHSTREAM

(a) Connect the Techstream to the DLC3.

(b) Turn the ignition switch to ON.

(c) Turn the Techstream on.

(d) Enter the following menus: Body Electrical / Air Conditioner / Active Test.

(e) Check the operation by referring to the table below.

Air Conditioner

Tester Display

Test Part

Control Range

Diagnostic Note

Heater Active Level

Quick heater assembly

Min.: 0, Max.: 3

-

OK:

Heater Active Level changes normally.

NG

PROCEED TO NEXT SUSPECTED AREA SHOWN IN PROBLEM SYMPTOMS TABLE

OK

2.

INSPECT PTC HTR RELAY

(a) Remove the PTC HTR relays.

(b) Inspect the PTC HTR relays (See page ).

NG

REPLACE PTC HTR RELAY

OK

3.

CHECK HARNESS AND CONNECTOR (PTC HTR RELAY - POWER SOURCE CIRCUIT)

(a) Remove the PTC HTR relays.

(b) Measure the voltage according to the value(s) in the table below.

Standard Voltage:

PTC HTR NO. 1

Tester Connection

Condition

Specified Condition

PTC HTR NO. 1-1 - Body ground

Always

11 to 14 V

PTC HTR NO. 1-5 - Body ground

Always

11 to 14 V

PTC HTR NO. 2

Tester Connection

Condition

Specified Condition

PTC HTR NO. 2-1 - Body ground

Always

11 to 14 V

PTC HTR NO. 2-5 - Body ground

Always

11 to 14 V

PTC HTR NO. 3

Tester Connection

Condition

Specified Condition

PTC HTR NO. 3-1 - Body ground

Always

11 to 14 V

PTC HTR NO. 3-5 - Body ground

Always

11 to 14 V

NG

REPAIR OR REPLACE HARNESS OR CONNECTOR

OK

4.

CHECK HARNESS AND CONNECTOR (PTC HTR RELAY - AIR CONDITIONING AMPLIFIER ASSEMBLY)

(a) Remove the PTC HTR relays.

(b) Disconnect the A14 air conditioning amplifier assembly connector.

(c) Measure the resistance according to the value(s) in the table below.

Standard Resistance:

PTC HTR NO. 1

Tester Connection

Condition

Specified Condition

PTC HTR NO. 1-2 - A14-15 (PTC1)

Always

Below 1 Ω

PTC HTR NO. 1-2 or A14-15 (PTC1) - Body ground

Always

10 kΩ or higher

PTC HTR NO. 2

Tester Connection

Condition

Specified Condition

PTC HTR NO. 2-2 - A14-14 (PTC2)

Always

Below 1 Ω

PTC HTR NO. 2-2 or A14-14 (PTC2) - Body ground

Always

10 kΩ or higher

PTC HTR NO. 3

Tester Connection

Condition

Specified Condition

PTC HTR NO. 3-2 - A14-13 (PTC3)

Always

Below 1 Ω

PTC HTR NO. 3-2 or A14-13 (PTC3) - Body ground

Always

10 kΩ or higher

NG

REPAIR OR REPLACE HARNESS OR CONNECTOR

OK

5.

CHECK HARNESS AND CONNECTOR (QUICK HEATER ASSEMBLY - PTC HTR RELAY AND BODY GROUND)

(a) Remove the PTC HTR relays.

(b) Disconnect the Q1 quick heater assembly connector.

(c) Measure the resistance according to the value(s) in the table below.

Standard Resistance:

PTC HTR NO. 1

Tester Connection

Condition

Specified Condition

PTC HTR NO. 1-3 - Q1-3 (B)

Always

Below 1 Ω

Q1-2 (E) - Body ground

Always

Below 1 Ω

Q1-4 (E) - Body ground

Always

Below 1 Ω

PTC HTR NO. 1-3 or Q1-3 (B) - Body ground

Always

10 kΩ or higher

PTC HTR NO. 2

Tester Connection

Condition

Specified Condition

PTC HTR NO. 2-3 - Q1-1 (B)

Always

Below 1 Ω

Q1-2 (E) - Body ground

Always

Below 1 Ω

PTC HTR NO. 2-3 or Q1-1 (B) - Body ground

Always

10 kΩ or higher

PTC HTR NO. 3

Tester Connection

Condition

Specified Condition

PTC HTR NO. 3-3 - Q1-5 (B)

Always

Below 1 Ω

Q1-4 (E) - Body ground

Always

Below 1 Ω

PTC HTR NO. 3-3 or Q1-5 (B) - Body ground

Always

10 kΩ or higher

NG

REPAIR OR REPLACE HARNESS OR CONNECTOR

OK

6.

INSPECT QUICK HEATER ASSEMBLY

(a) Remove the quick heater assembly (See page (b) Inspect the quick heater assembly (See page ).

(b) Inspect the quick heater assembly (See page ).

OK

REPLACE AIR CONDITIONING AMPLIFIER ASSEMBLY

NG

REPLACE QUICK HEATER ASSEMBLY

Compressor Lock Sensor Circuit (B1422)
SYSTEM DESCRIPTION The ECM sends the engine speed signal to the air conditioning amplifier assembly via CAN communication. The air conditioning amplifier assembly reads the difference between comp ...

Air Conditioning Unit
...

Other materials:

Rear Airbag Sensor LH Circuit Malfunction (B1635/24)
DESCRIPTION The airbag sensor LH consists of parts such as the safing sensor, the diagnostic circuit and the lateral deceleration sensor. When the airbag sensor assembly receives signals from the lateral deceleration sensor, it determines whether or not the SRS should be activated. DTC B1635/ ...

Automatic transmission
Select a shift position appropriate for the driving conditions. ■ Shifting the shift lever 5-speed models While the engine switch is on, depress the brake pedal and move the shift lever. 4-speed models While the engine switch is on, depress the brake pedal and move the shift l ...

Inspection
INSPECTION PROCEDURE 1. INSPECT BRAKE CYLINDER AND PISTON (a) Check the cylinder bore and piston for rust and scoring. 2. INSPECT PAD LINING THICKNESS (a) Using a ruler, measure the pad lining thickness. Standard thickness: 11.5 mm (0.453 in.) Minimum thickness: 1.0 mm (0.0394 in.) ...

© 2011-2025 Copyright www.ttguide.net