Toyota Tacoma manuals

Toyota Tacoma (2015-2018) Service Manual: Cargo Light Circuit

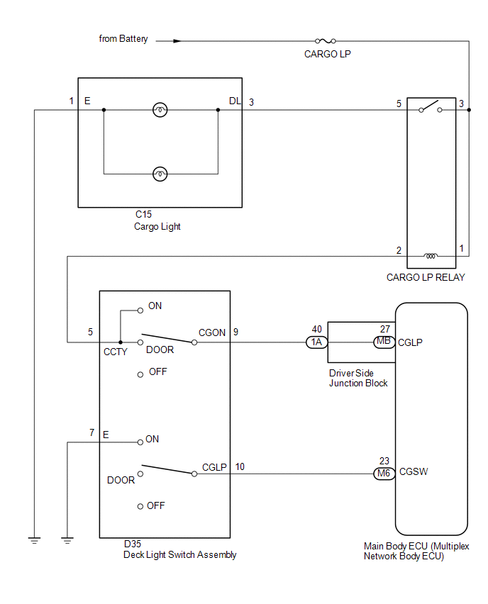
DESCRIPTION

The main body ECU (multiplex network body ECU) receives a cargo light information signal from the deck light switch assembly and door courtesy light switch, and illuminates the cargo light.

WIRING DIAGRAM

CAUTION / NOTICE / HINT

CAUTION / NOTICE / HINT

NOTICE:

  • Inspect the fuses for circuits related to this system before performing the following inspection procedure.
  • If the main body ECU (multiplex network body ECU) is replaced, refer to Registration (See page ).*1
    • *1: w/ Smart Key System

PROCEDURE

1.

PERFORM ACTIVE TEST USING TECHSTREAM (CARGO LIGHT)

(a) Connect the Techstream to the DLC3.

(b) Turn the ignition switch to ON.

(c) Turn the Techstream on.

(d) Enter the following menus: Body Electrical / Main Body / Active Test.

(e) Perform the Active Test according to the display on the Techstream.

Main Body ECU

Tester Display

Test Part

Control Range

Diagnostic Note

Cargo Light

Cargo light

ON or OFF

Deck light switch assembly is DOOR or on

OK:

Cargo light turns on / turns off.

OK

PROCEED TO NEXT CIRCUIT INSPECTION SHOWN IN PROBLEM SYMPTOMS TABLE

NG

2.

INSPECT CARGO RELAY

(a) Remove the CARGO relay from the junction block assembly.

(b) Measure the resistance according to the value(s) in the table below.

Standard Resistance:

Tester Connection

Condition

Specified Condition

3 - 5

Battery voltage not applied to terminals 1 and 2

10 kΩ or higher

3 - 5

Battery voltage applied to terminals 1 and 2

Below 1 Ω

NG

REPLACE CARGO RELAY

OK

3.

CHECK HARNESS AND CONNECTOR (CARGO FUSE - CARGO RELAY)

(a) Measure the voltage according to the value(s) in the table below.

Standard Voltage:

Tester Connection

Condition

Specified Condition

Relay terminal 1- Body ground

Always

11 to 14 V

Relay terminal 3- Body ground

Always

11 to 14 V

NG

REPAIR OR REPLACE HARNESS OR CONNECTOR

OK

4.

CHECK HARNESS AND CONNECTOR (CARGO RELAY - CENTER STOP LIGHT ASSEMBLY (CARGO LIGHT))

(a) Disconnect the C15 cargo light connector.

(b) Measure the resistance according to the value(s) in the table below.

Standard Resistance:

Tester Connection

Condition

Specified Condition

Relay terminal 5 - C15-3 (DL)

Always

Below 1 Ω

Relay terminal 3 - Body ground

Always

10 kΩ or higher

C15-1 (E) - Body ground

Always

Below 1 Ω

NG

REPAIR OR REPLACE HARNESS OR CONNECTOR

OK

5.

INSPECT CARGO LIGHT

(a) Remove the cargo light (See page (b) Inspect the cargo light (See page  ). ).

(b) Inspect the cargo light (See page ).

NG

REPLACE CARGO LIGHT

OK

6.

INSPECT DECK LIGHT SWITCH ASSEMBLY

(a) Remove the deck light switch assembly (See page (b) Inspect the deck light switch assembly (See page ).

(b) Inspect the deck light switch assembly (See page ).

NG

REPLACE DECK LIGHT SWITCH ASSEMBLY

OK

7.

CHECK HARNESS AND CONNECTOR (DECK LIGHT SWITCH ASSEMBLY - CARGO RELAY AND BODY GROUND)

(a) Disconnect the D35 deck light switch assembly connector.

(b) Remove the CARGO relay from the junction block assembly.

(c) Measure the resistance according to the value(s) in the table below.

Standard Resistance:

Tester Connection

Switch Condition

Specified Condition

D35-5 (CCTY) - Relay terminal 2

Always

Below 1 Ω

D35-5 (CCTY) - Body ground

Always

10 kΩ or higher

D35-7 (E) - Body ground

Always

Below 1 Ω

NG

REPAIR OR REPLACE HARNESS OR CONNECTOR

OK

8.

CHECK HARNESS AND CONNECTOR (DECK LIGHT SWITCH ASSEMBLY - DRIVER SIDE JUNCTION BLOCK AND MAIN BODY ECU)

(a) Disconnect the D35 deck light switch assembly connector.

(b) Disconnect the 1A driver side junction block connector.

(c) Disconnect the M6 main body ECU (multiplex network body ECU) connector.

(d) Measure the resistance according to the value(s) in the table below.

Standard Resistance:

Tester Connection

Condition

Specified Condition

D35-9 (CGON) - 1A-40

Always

Below 1 Ω

D35-9 (CGON) - Body ground

Always

10 kΩ or higher

D35-10 (CGLP) - M6-23 (CGSW)

Always

Below 1 Ω

D35-10 (CGLP) - Body ground

Always

10 kΩ or higher

NG

REPAIR OR REPLACE HARNESS OR CONNECTOR

OK

9.

INSPECT DRIVER SIDE JUNCTION BLOCK

(a) Remove the driver side junction block (See page ).

(b) Remove the main body ECU (multiplex network body ECU) from the driver side junction block.

(c) Measure the resistance according to the value(s) in the table below.

Standard Resistance:

Tester Connection

Condition

Specified Condition

1A-40 - MB-27 (CGLP)

Always

Below 1 Ω

Text in Illustration

*a

Component without harness connected

(Driver Side Junction Block)

OK

REPLACE MAIN BODY ECU (MULTIPLEX NETWORK BODY ECU)

NG

REPLACE DRIVER SIDE JUNCTION BLOCK

Taillight Relay Circuit
DESCRIPTION The main body ECU (multiplex network body ECU) controls the operation of the TAIL relay. WIRING DIAGRAM CAUTION / NOTICE / HINT NOTICE: Inspect the fuses for circuits rela ...

Door Unlock Detection Switch Circuit
DESCRIPTION The main body ECU (multiplex network body ECU) detects the condition of each door unlock detection switch. WIRING DIAGRAM CAUTION / NOTICE / HINT NOTICE: If the main body ECU (mul ...

Other materials:

Vehicle Speed Sensor Circuit (C1AA3)
DESCRIPTION The forward recognition camera receives vehicle speed signals from the skid control ECU. If the skid control ECU receives a vehicle speed sensor malfunction signal, it informs the forward recognition camera via CAN communication, and DTC C1AA3 is stored. DTC No. ...

Sound Signal Circuit between Radio Receiver and Stereo Jack Adapter
DESCRIPTION The No. 1 stereo jack adapter assembly sends the sound signal from an external device to the navigation receiver assembly via this circuit. If there is an open or short in the circuit, sound cannot be heard from the speakers even if there is no malfunction in the stereo component a ...

Torque Converter And Drive Plate
Inspection INSPECTION PROCEDURE 1. INSPECT TORQUE CONVERTER ASSEMBLY (a) Inspect the one-way clutch. (1) Press on the spline of the stator with a finger and rotate the spline. Check that the spline rotates smoothly when turned clockwise and rotates with difficulty when turned counterclock ...

© 2011-2026 Copyright www.ttguide.net