Toyota Tacoma manuals

Toyota Tacoma (2015-2018) Service Manual: Starter Relay

Inspection

INSPECTION

PROCEDURE

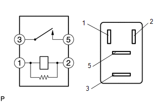
1. INSPECT STARTER RELAY

(a) Check the resistance.

(a) Check the resistance.

(1) Measure the resistance according to the value(s) in the table below.

Standard Resistance:

Tester Connection

Connection

Specified Condition

3 - 5

Battery voltage not applied to terminals 1 and 2

10 kΩ or higher

3 - 5

Battery voltage applied to terminals 1 and 2

Below 1 Ω

If the result is not as specified, replace the starter relay.

Reassembly
REASSEMBLY PROCEDURE 1. INSTALL STARTER ARMATURE ASSEMBLY (a) Install the starter armature to the starter yoke. 2. INSTALL STARTER BRUSH HOLDER ASSEMBLY (a) Install the starter brush holder assem ...

Starting System
Parts Location PARTS LOCATION ILLUSTRATION ILLUSTRATION Precaution PRECAUTION 1. IGNITION SWITCH EXPRESSIONS (a) The type of ignition switch used on this model differs depending on the ...

Other materials:

Front Airbag Sensor RH Circuit Malfunction (B1610/13)
DESCRIPTION The front airbag sensor RH consists of parts such as the diagnostic circuit and the frontal detection sensor. When the airbag sensor assembly receives signals from the frontal deceleration sensor, it determines whether or not the SRS should be activated. DTC B1610/13 is set when a ...

Accumulator Low Pressure (C1256)
DESCRIPTION The accumulator pressure sensor is connected to the skid control ECU in the master cylinder solenoid. DTC No. DTC Detecting Condition Trouble Areas C1256 Fluid pressure inside the accumulator drops below the specification ...

Short in Front Passenger Side Knee Airbag Squib Circuit (B1865/65-B1868/65)
DESCRIPTION The passenger side knee airbag squib circuit consists of the airbag sensor assembly and lower No. 2 instrument panel airbag assembly. The airbag sensor assembly uses this circuit to deploy the airbag when deployment conditions are met. These DTCs are stored when a malfunction is de ...

© 2011-2026 Copyright www.ttguide.net