Toyota Tacoma manuals

Toyota Tacoma (2015-2018) Service Manual: All Doors LOCK/UNLOCK Functions do not Operate Via Door Control Switch or Door Key Cylinder

Toyota Tacoma (2015-2018) Service Manual / Door Lock / Power Door Lock Control System / All Doors LOCK/UNLOCK Functions do not Operate Via Door Control Switch or Door Key Cylinder

DESCRIPTION

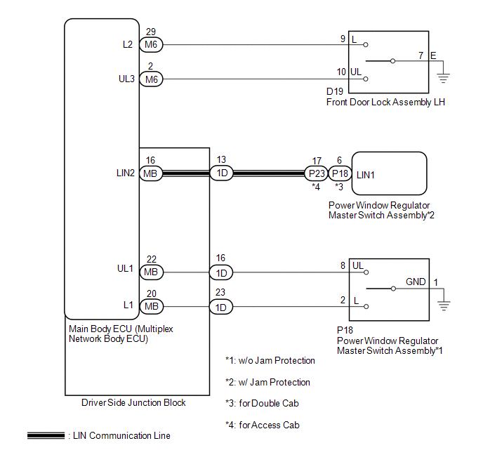
The main body ECU (multiplex network body ECU) receives switch signals from the power window regulator master switch assembly and driver door key cylinder lock or unlock switch signals from the front door lock assembly. The main body ECU (multiplex network body ECU) activates the door lock motor on each door according to these signals.

WIRING DIAGRAM

CAUTION / NOTICE / HINT

CAUTION / NOTICE / HINT

NOTICE:

The power door lock control system uses the LIN communication system. Inspect the communication function by following How to Proceed with Troubleshooting. Troubleshoot the power door lock control system after confirming that the communication systems are functioning properly.*1

  • *1: w/ Jam Protection

PROCEDURE

1.

CHECK DOOR LOCK OPERATION

(a) Check door lock operation (See page Result ).

Result

Result

Proceed to

All doors cannot be locked by power window regulator master switch assembly. (w/ Jam Protection)

A

All doors cannot be locked by power window regulator master switch assembly. (w/o Jam Protection)

B

All doors cannot be locked by driver door key cylinder

C

B

GO TO STEP 8

C

GO TO STEP 5

A

2.

CHECK FOR DTC (LIN COMMUNICATION SYSTEM)

(a) Clear the DTCs (See page (b) Recheck for DTCs. ).

(b) Recheck for DTCs.

OK:

DTC B1206 is not output.

NG

GO TO LIN COMMUNICATION SYSTEM (DTC B1206)

OK

3.

REPLACE POWER WINDOW REGULATOR MASTER SWITCH ASSEMBLY

(a) Replace the power window regulator master switch assembly (See page ). ). ).

NEXT

4.

CHECK DOOR LOCK OPERATION

(a) Check that all doors can be locked and unlocked by the power window regulator master switch assembly (See page OK: ).

OK:

All doors can be locked and unlocked by the power window regulator master switch assembly.

OK

END (POWER WINDOW REGULATOR MASTER SWITCH ASSEMBLY WAS DEFECTIVE)

NG

REPLACE MAIN BODY ECU (MULTIPLEX NETWORK BODY ECU)

5.

READ VALUE USING TECHSTREAM (Door Key SW-Lock, D Door Key SW-UL)

(a) Connect the Techstream to the DLC3.

(b) Turn the ignition switch to ON.

(c) Turn the Techstream on.

(d) Enter the following menus: Body Electrical / Main Body / Data List.

(e) Read the Data List according to the display on the Techstream.

Main Body

Tester Display

Measurement Item/Range

Normal Condition

Diagnostic Note

Door Key SW-Lock

Driver door key-linked lock/unlock switch lock signal/ON or OFF

ON: Driver door key cylinder turned to lock position

OFF: Driver door key cylinder not turned to lock position

-

D Door Key SW-UL

Driver door key-linked lock/unlock switch unlock signal/ON or OFF

ON: Driver door key cylinder turned to unlock position

OFF: Driver door key cylinder not turned to unlock position

-

OK:

The Techstream indicates ON or OFF according to the key cylinder operation shown in the table.

OK

REPLACE MAIN BODY ECU (MULTIPLEX NETWORK BODY ECU)

NG

6.

INSPECT FRONT DOOR LOCK ASSEMBLY LH

(a) Remove the front door lock assembly LH (See page ). ). (b) Inspect the front door lock assembly LH. ).

(b) Inspect the front door lock assembly LH.

(1) Measure the resistance according to the value(s) in the table below.

Standard Resistance:

Tester Connection

Switch Condition

Specified Condition

9 (L) - 7 (GND)

Always

10 kΩ or higher

9 (L) - 7 (GND)

Lock switch pushed

Below 1 Ω

10 (UL) - 7 (GND)

Always

10 kΩ or higher

10 (UL) - 7 (GND)

Unlock switch pushed

Below 1 Ω

Text in Illustration

*a

Unlock

*b

Neutral

*c

Lock

*d

Component without harness connected

(Front Door Lock Assembly LH)

NG

REPLACE FRONT DOOR LOCK ASSEMBLY LH

OK

7.

CHECK HARNESS AND CONNECTOR (FRONT DOOR LOCK ASSEMBLY LH - MAIN BODY ECU (MULTIPLEX NETWORK BODY ECU))

(a) Disconnect the M6 main body ECU (multiplex network body ECU) connector.

(b) Measure the resistance according to the value(s) in the table below.

Standard Resistance:

Tester Connection

Condition

Specified Condition

D19-9 (L) - M6-29 (L2)

Always

Below 1 Ω

D19-10 (UL) - M6-2 (UL3)

Always

Below 1 Ω

D19-7 (E) - Body ground

Always

Below 1 Ω

M6-29 (L2) - Body ground

Always

10 kΩ or higher

M6-2 (UL3) - Body ground

Always

10 kΩ or higher

OK

REPLACE MAIN BODY ECU (MULTIPLEX NETWORK BODY ECU)

NG

REPAIR OR REPLACE HARNESS OR CONNECTOR

8.

READ VALUE USING TECHSTREAM (POWER WINDOW REGULATOR MASTER SWITCH ASSEMBLY)

(a) Connect the Techstream to the DLC3.

(b) Turn the ignition switch to ON.

(c) Turn the Techstream on.

(d) Enter the following menus: Body Electrical / Main Body / Data List.

(e) Read the Data List according to the display on the Techstream.

Main Body

Tester Display

Measurement Item/Range

Normal Condition

Diagnostic Note

Door Lock SW-Lock

Door control switch (power window regulator master switch assembly) or door control switch assembly lock signal/ON or OFF

ON: Lock side of door control switch (power window regulator master switch assembly) or door control switch assembly pushed

OFF: Lock side of door control switch (power window regulator master switch assembly) and door control switch assembly not pushed

-

Door Lock SW-Unlock

Door control switch (power window regulator master switch assembly) or door control switch assembly unlock signal/ON or OFF

ON: Unlock side of door control switch (power window regulator master switch assembly) or door control switch assembly pushed

OFF: Unlock side of door control switch (power window regulator master switch assembly) or door control switch assembly not pushed

-

OK:

The Techstream indicates ON or OFF according to the switch operation shown in the table.

OK

REPLACE MAIN BODY ECU (MULTIPLEX NETWORK BODY ECU)

NG

9.

INSPECT POWER WINDOW REGULATOR MASTER SWITCH ASSEMBLY

(a) Remove the power window regulator master switch assembly (See page ). ). (b) Inspect the power window regulator master switch assembly. ).

(b) Inspect the power window regulator master switch assembly.

(1) Measure the resistance according to the value(s) in the table below.

Standard Resistance:

Tester Connection

Switch Condition

Specified Condition

2 (L) - 1 (GND)

Always

10 kΩ or higher

2 (L) - 1 (GND)

Lock switch pushed

Below 1 Ω

8 (UL) - 1 (GND)

Always

10 kΩ or higher

8 (UL) - 1 (GND)

Unlock switch pushed

Below 1 Ω

Text in Illustration

*a

Component without harness connected

(Power Window Regulator Master Switch Assembly)

NG

REPLACE POWER WINDOW REGULATOR MASTER SWITCH ASSEMBLY

OK

10.

CHECK HARNESS AND CONNECTOR (POWER WINDOW MASTER SWITCH - MAIN BODY ECU (MULTIPLEX NETWORK BODY ECU))

(a) Disconnect the 1D driver side junction block connector.

(b) Measure the resistance according to the value(s) in the table below.

Standard Resistance:

Tester Connection

Condition

Specified Condition

1D-16 (UL1) - P18-8 (UL)

Always

Below 1 Ω

1D-23 (L1) - P18-2 (L)

Always

Below 1 Ω

P18-1 (GND) - Body ground

Always

Below 1 Ω

1D-16 (UL1) or P18-8 (UL) - Body ground

Always

10 kΩ or higher

1D-23 (L1) or P18-2 (L) - Body ground

Always

10 kΩ or higher

NG

REPAIR OR REPLACE HARNESS OR CONNECTOR

OK

11.

CHECK DRIVER SIDE JUNCTION BLOCK

(a) Remove the driver side junction block (See page ).

Standard Resistance:

Standard Resistance:

Tester Connection

Condition

Specified Condition

1D-16 - MB-22 (UL1)

Always

Below 1 Ω

1D-23 - MB-20 (L1)

Always

Below 1 Ω

1D-16 - Body ground

Always

10 kΩ or higher

1D-23 (L1) - Body ground

Always

10 kΩ or higher

Text in Illustration

*a

Component without harness connected

(driver side junction block)

-

-

OK

REPLACE MAIN BODY ECU (MULTIPLEX NETWORK BODY ECU)

NG

REPLACE DRIVER SIDE JUNCTION BLOCK

Terminals Of Ecu
TERMINALS OF ECU 1. CHECK DRIVER SIDE JUNCTION BLOCK AND MAIN BODY ECU (MULTIPLEX NETWORK BODY ECU) (a) Disconnect the MB main body ECU (multiplex network body ECU) connectors. (b) Measure the ...

All Doors LOCK/UNLOCK Functions do not Operate Via Door Control Switch
DESCRIPTION The main body ECU (multiplex network body ECU) receives switch signals from the door control switch assembly on the front passenger door and activates the door lock motor on each door ...

Other materials:

System Description
SYSTEM DESCRIPTION LANE DEPARTURE ALERT SYSTEM DESCRIPTION (a) The lane departure alert system is a system which uses the forward recognition camera to recognize and determine the lane and the position of the vehicle when the vehicle is being driven on highways and other roads with white (yell ...

Emergency flashers
Use the emergency flashers if the vehicle malfunctions or is involved in an accident. Press the switch to flash all the turn signal lights. To turn them off, press the switch once again. NOTICE ■To prevent battery discharge Do not leave the emergency flashers on longer than necessary ...

Installation
INSTALLATION PROCEDURE 1. INSTALL INSTRUMENT PANEL PASSENGER AIRBAG ASSEMBLY WITHOUT DOOR (a) Engage the 3 hooks (B). Text in Illustration *a Hooks (A) *b Hooks (B) ...

© 2011-2026 Copyright www.ttguide.net