Toyota Tacoma manuals

Toyota Tacoma (2015-2018) Service Manual: Daytime Running Light Relay

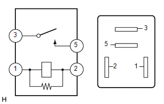
Toyota Tacoma (2015-2018) Service Manual / Lighting / Daytime Running Light Relay

Inspection

INSPECTION

PROCEDURE

1. INSPECT NO. 1 DAY TIME RUNNING LIGHT RELAY

(a) Check the resistance.

(1) Measure the resistance according to the value(s) in the table below.

Standard:

Tester Connection

Condition

Specified Condition

3 - 5

Battery voltage is not applied to terminals 1 and 2

10 kΩ or higher

Battery voltage is applied to terminals 1 and 2

Below 1 Ω

If the result is not as specified, replace the No. 1 day time running light relay.

Cargo Light Switch
Components COMPONENTS ILLUSTRATION Inspection INSPECTION PROCEDURE 1. INSPECT DECK LIGHT SWITCH ASSEMBLY (a) Check the resistance. (1) Measure the resistance according to the ...

Deck Light Relay
Inspection INSPECTION PROCEDURE 1. REMOVE DECK LIGHT RELAY (a) Check the resistance. (1) Measure the resistance according to the value(s) in the table below. Standard: ...

Other materials:

Test Mode Procedure
TEST MODE PROCEDURE 1. WARNING LIGHT AND INDICATOR LIGHT INITIAL CHECK (a) When the ignition switch is turned ON, check that the ABS warning, brake warning, and slip indicator lights come on for approximately 3 seconds. HINT: When the brake fluid level is low, the brake warning light c ...

Customize Parameters
CUSTOMIZE PARAMETERS 1. CUSTOMIZE METER / GAUGE SYSTEM (a) Customizing with the Techstream (1) Connect the Techstream to the DLC3. (2) Turn the ignition switch to ON. (3) Turn the Techstream on. (4) Enter the following menus: Customize Setting / Warning or Display. (5) Select the setting by r ...

Pressure Control Solenoid "B" Actuator Stuck Off (P07757F)
SYSTEM DESCRIPTION The ECM uses the vehicle speed signal and signals from the transmission revolution sensors (NT, SP2) to detect the actual gear (1st, 2nd, 3rd, 4th, 5th or 6th gear). The ECM compares the actual gear with the shift schedule in the ECM memory to detect mechanical problems of t ...

© 2011-2025 Copyright www.ttguide.net