Toyota Tacoma manuals

Toyota Tacoma (2015-2018) Service Manual: Center Airbag Sensor Communication Stop Mode

Toyota Tacoma (2015-2018) Service Manual / Can Communication / Can Communication System / Center Airbag Sensor Communication Stop Mode

DESCRIPTION

Detection Item

Symptom

Trouble Area

Center Airbag Sensor Communication Stop Mode

Either condition is met:

  • Communication stop for "Airbag" is indicated on the "Communication Bus Check" screen of the Techstream.

    Click here

  • Communication system DTCs (DTCs that start with U) that correspond to "Center Airbag Sensor Communication Stop Mode" in "DTC Combination Table" are output.

    Click here

  • Airbag sensor assembly branch line or connector
  • Power source circuit of airbag sensor assembly
  • Airbag sensor assembly ground circuit
  • Airbag sensor assembly

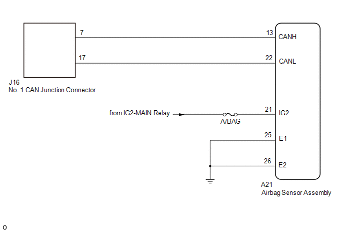
WIRING DIAGRAM

CAUTION / NOTICE / HINT

CAUTION / NOTICE / HINT

CAUTION:

When performing the confirmation driving pattern, obey all speed limits and traffic laws.

NOTICE:

  • Because the order of diagnosis is important to allow correct diagnosis, make sure to begin troubleshooting using How to Proceed with Troubleshooting when CAN communication system related DTCs are output.

    Click here

  • Before measuring the resistance of the CAN bus, turn the ignition switch off and leave the vehicle for 1 minute or more without operating the key or any switches, or opening or closing the doors. After that, disconnect the cable from the negative (-) battery terminal and leave the vehicle for 1 minute or more before measuring the resistance.
  • After turning the ignition switch off, waiting time may be required before disconnecting the cable from the negative (-) battery terminal. Therefore, make sure to read the disconnecting the cable from the negative (-) battery terminal notices before proceeding with work.

    Click here

  • Some parts must be initialized and set when replacing or removing and installing parts.

    Click here

  • After performing repairs, perform the DTC check procedure and confirm that the DTCs are not output again.

    DTC check procedure: Turn the ignition switch to ON and wait for 1 minute or more. Then operate the suspected malfunctioning system and drive the vehicle at 60 km/h (37 mph) or more for 5 minutes or more.

  • After the repair, perform the CAN bus check and check that all the ECUs and sensors connected to the CAN communication system are displayed as normal.

    Click here

  • Inspect the fuses for circuits related to this system before performing the following procedure.

HINT:

  • Before disconnecting related connectors for inspection, push in on each connector body to check that the connector is not loose or disconnected.
  • When a connector is disconnected, check that the terminals and connector body are not cracked, deformed or corroded.

PROCEDURE

1.

CHECK FOR OPEN IN CAN BUS LINES (AIRBAG SENSOR ASSEMBLY BRANCH LINE)

(a) Disconnect the cable from the negative (-) battery terminal.

(b) Disconnect the airbag sensor assembly connector.

(c) Measure the resistance according to the value(s) in the table below.

Standard Resistance:

Tester Connection

Condition

Specified Condition

A21-13 (CANH) - A21-22 (CANL)

Cable disconnected from negative (-) battery terminal

54 to 69 Ω

Text in Illustration

*a

Front view of wire harness connector

(to Airbag Sensor Assembly)

NG

REPAIR OR REPLACE CAN BRANCH LINE OR CONNECTOR (AIRBAG SENSOR ASSEMBLY)

OK

2.

CHECK HARNESS AND CONNECTOR (POWER SOURCE CIRCUIT)

(a) Measure the resistance according to the value(s) in the table below.

Standard Resistance:

Tester Connection

Condition

Specified Condition

A21-25 (E1) - Body ground

Cable disconnected from negative (-) battery terminal

Below 1 Ω

A21-26 (E2) - Body ground

Cable disconnected from negative (-) battery terminal

Below 1 Ω

(b) Connect the cable to the negative (-) battery terminal.

(c) Measure the voltage according to the value(s) in the table below.

Standard Voltage:

Tester Connection

Switch Condition

Specified Condition

A21-21 (IG2) - Body ground

Ignition switch ON

11 to 14 V

Text in Illustration

*a

Front view of wire harness connector

(to Airbag Sensor Assembly)

OK

REPLACE AIRBAG SENSOR ASSEMBLY

NG

REPAIR OR REPLACE HARNESS OR CONNECTOR (POWER SOURCE CIRCUIT)

Steering Angle Sensor Communication Stop Mode
DESCRIPTION Detection Item Symptom Trouble Area Steering Angle Sensor Communication Stop Mode Either condition is met: Commu ...

Certification ECU Communication Stop Mode
DESCRIPTION Detection Item Symptom Trouble Area Certification ECU Communication Stop Mode Either condition is met: Communica ...

Other materials:

Vehicle Speed Tolerance Malfunction (C1AA2)
DESCRIPTION The forward recognition camera receives vehicle speed tolerance signals from the combination meter assembly. If the combination meter assembly detects a vehicle speed tolerance malfunction signal, it informs the forward recognition camera via CAN communication, and DTC C1AA2 is st ...

On-vehicle Inspection
ON-VEHICLE INSPECTION PROCEDURE 1. INSPECT CAMSHAFT TIMING OIL CONTROL SOLENOID ASSEMBLY (for Intake Side) (a) Connect the Techstream to the DLC3. (b) Start the engine. (c) Turn the Techstream on. (d) Enter the following menus: Powertrain / Engine / Active Test / Control the Intake VVT OCV D ...

Glass Position Initialization Incomplete (B2313)
DESCRIPTION The power window regulator motor assembly is operated by the power window regulator master switch assembly or power window regulator switch assembly. The power window regulator motor assembly has motor, regulator and ECU functions. When the ECU determines that the power window regu ...

© 2011-2025 Copyright www.ttguide.net