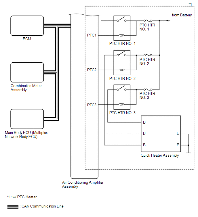
SYSTEM DIAGRAM

System Description
Problem Symptoms TableRemoval
REMOVAL
PROCEDURE
1. PRECAUTION
NOTICE:
After turning the ignition switch off, waiting time may be required before disconnecting
the cable from the negative (-) battery terminal.
Therefore, make sure to read the disconnecting the cable from the negative (-)
battery terminal notices before p ...
Input/Turbine Speed Sensor "A" Circuit Short to Battery (P071512,P071514,P071531)
DESCRIPTION
This sensor detects the rotation speed of the turbine which shows the input turbine
speed of the transmission. By comparing the input turbine speed signal (NT) with
the output shaft speed sensor signal (SP2), the ECM detects the shift timing of
the gears and appropriately controls ...
Microphone Circuit between Microphone and Radio Receiver
DESCRIPTION
The navigation receiver assembly and telephone microphone assembly are connected
to each other using the microphone connection detection signal lines.
Using this circuit, the navigation receiver assembly sends power to the telephone
microphone assembly and the telephone microphone ...