Toyota Tacoma manuals

Toyota Tacoma (2015-2018) Service Manual: Compressor Lock Sensor Circuit (B1422)

SYSTEM DESCRIPTION

The ECM sends the engine speed signal to the air conditioning amplifier assembly via CAN communication.

The air conditioning amplifier assembly reads the difference between compressor speed and engine speed. When the difference becomes too large, the air conditioning amplifier assembly determines that the compressor is locked, and turns the magnet-clutch assembly off.

DTC No.

DTC Detection Condition

Trouble Area

B1422

Open or short in A/C lock sensor circuit

  • Magnet-clutch assembly
  • A/C lock sensor
  • Harness or connector
  • Air conditioning amplifier assembly
  • CAN communication system

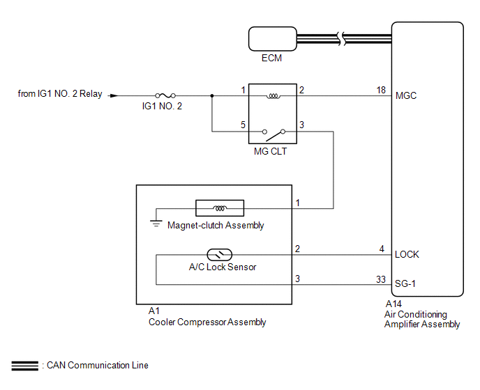
WIRING DIAGRAM

CAUTION / NOTICE / HINT

CAUTION / NOTICE / HINT

NOTICE:

  • ECM malfunctions can affect the storage of this DTC. Therefore, check all SFI system DTCs and confirm that the system is normal before performing the following inspection.
    • for 2TR-FE (See page for 2GR-FKS (See page  ) )
    • for 2GR-FKS (See page )
  • Inspect the fuses for circuits related to this system before performing the following procedure.

PROCEDURE

1.

CHECK FOR DTC (CAN COMMUNICATION SYSTEM)

(a) Use the Techstream to check if the CAN communication system is functioning normally.

Result

Result

Proceed to

CAN DTC is not output

A

CAN DTC is output

B

NG

GO TO CAN COMMUNICATION SYSTEM

OK

2.

INSPECT A/C LOCK SENSOR

(a) Remove the A/C lock sensor (See page (b) Inspect the A/C lock sensor (See page  ). ).

(b) Inspect the A/C lock sensor (See page ).

NG

REPLACE A/C LOCK SENSOR

OK

3.

CHECK HARNESS AND CONNECTOR (AIR CONDITIONING AMPLIFIER ASSEMBLY - COOLER COMPRESSOR ASSEMBLY)

(a) Disconnect the A1 cooler compressor assembly connector.

(b) Disconnect the A14 air conditioning amplifier assembly connector.

(c) Measure the resistance according to the value(s) in the table below.

Standard Resistance:

Tester Connection

Condition

Specified Condition

A14-4 (LOCK) - A1-2

Always

Below 1 Ω

A14-33 (SG-1) - A1-3

Always

Below 1 Ω

A14-4 (LOCK) or A1-2 - Body ground

Always

10 kΩ or higher

A14-33 (SG-1) or A1-3 - Body ground

Always

10 kΩ or higher

Result

Proceed to

NG

A

OK (When troubleshooting according to Problem Symptoms Table)

B

OK (When troubleshooting according to the DTC)

C

A

REPAIR OR REPLACE HARNESS OR CONNECTOR

B

PROCEED TO NEXT SUSPECTED AREA SHOWN IN PROBLEM SYMPTOMS TABLE

C

REPLACE AIR CONDITIONING AMPLIFIER ASSEMBLY

Evaporator Temperature Sensor Circuit (B1413)
DESCRIPTION The cooler thermistor sensor (evaporator temperature sensor) is installed on the evaporator in the air conditioner unit to detect the temperature of the cooled air that has passed thr ...

PTC Heater Circuit
DESCRIPTION PTC HTR heater relays are closed in accordance with signals from the air conditioning amplifier assembly and power is supplied to the quick heater assembly installed on the radiator h ...

Other materials:

Problem Symptoms Table
PROBLEM SYMPTOMS TABLE HINT: Use the table below to help determine the cause of problem symptoms. If multiple suspected areas are listed, the potential causes of the symptoms are listed in order of probability in the "Suspected Area" column of the table. Check each sy ...

Removal
REMOVAL CAUTION / NOTICE / HINT NOTICE: When replacing the forward recognition camera, replace it with a new one. Do not touch the camera lens or the front windshield glass in front of the camera. If the forward recognition camera has been struck or dropped, replace it ...

Portable Player cannot be Operated Using In-vehicle Device or Track Information is not Displayed on In-vehicle Device
PROCEDURE 1. CHECK USING ANOTHER "Bluetooth" AUDIO COMPATIBLE VEHICLE OF SAME MODEL (a) Check if track information is displayed normally on another "Bluetooth" audio compatible vehicle of the same model. OK: Track information is displayed no ...

© 2011-2025 Copyright www.ttguide.net