DESCRIPTION
There may be a short circuit between one of the CAN bus lines and +B when no resistance exists between terminal 6 (CA3H) of the central gateway ECU (network gateway ECU) and terminal 16 (BAT) of the DLC3, or terminal 21 (CA3L) of the central gateway ECU (network gateway ECU) and terminal 16 (BAT) of the DLC3.
| Detection Item | Trouble Area | 
|---|---|
| No resistance exists between terminal 6 (CA3H) of the central gateway ECU (network gateway ECU) and terminal 16 (BAT) of the DLC3, or terminal 21 (CA3L) of the central gateway ECU (network gateway ECU) and terminal 16 (BAT) of the DLC3. | 
 | 
WIRING DIAGRAM
 
CAUTION / NOTICE / HINT
CAUTION:
When performing the confirmation driving pattern, obey all speed limits and traffic laws.
NOTICE:
Click here .gif) 
 
Click here .gif) 
 
Click here .gif) 
 
DTC check procedure: Turn the ignition switch to ON and wait for 1 minute or more. Then operate the suspected malfunctioning system and drive the vehicle at 60 km/h (37 mph) or more for 5 minutes or more.
Click here .gif) 
 
HINT:
PROCEDURE
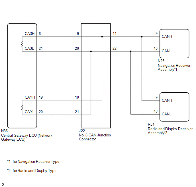
| 1. | CHECK FOR SHORT TO +B IN CAN BUS LINE (NO. 6 CAN JUNCTION CONNECTOR) | 
(a) Disconnect the cable from the negative (-) battery terminal.
(b) Disconnect the No. 6 CAN junction connector.
(c) Measure the resistance according to the value(s) in the table below.
 Text in Illustration
 Text in Illustration
| *1 | DLC3 | - | - | 
| *a | Front view of wire harness connector (to No. 6 CAN Junction Connector) | *b | to Central Gateway ECU (Network Gateway ECU) | 
| *c | to Navigation Receiver Assembly (for Navigation Receiver Type) or Radio and Display Receiver Assembly (for Radio and Display Type) | - | - | 
Standard Resistance:
| Tester Connection | Condition | Specified Condition | Connected to | 
|---|---|---|---|
| J22-9 (CANH) - D4-16 (BAT) | Cable disconnected from negative (-) battery terminal | 6 kΩ or higher | Central gateway ECU (network gateway ECU) | 
| J22-20 (CANL) - D4-16 (BAT) | |||
| J22-10 (CANH) - D4-16 (BAT) | Cable disconnected from negative (-) battery terminal | 6 kΩ or higher | Central gateway ECU (network gateway ECU) | 
| J22-21 (CANL) - D4-16 (BAT) | |||
| J22-11 (CANH) - D4-16 (BAT) | Cable disconnected from negative (-) battery terminal | 6 kΩ or higher | Navigation receiver assembly*1 or Radio and display receiver assembly*2 | 
| J22-22 (CANL) - D4-16 (BAT) | 
| Result | Proceed to | 
|---|---|
| OK | A | 
| NG (Central gateway ECU (network gateway ECU) CAN main line) | B | 
| NG (ECU or sensor CAN branch lines) | C | 
| A | .gif)  | REPLACE NO. 6 CAN JUNCTION CONNECTOR | 
| C | .gif)  | GO TO STEP 3 | 
| 
 | 
| 2. | CHECK FOR SHORT TO +B IN CAN BUS LINE (NO. 6 CAN JUNCTION CONNECTOR - CENTRAL GATEWAY ECU (NETWORK GATEWAY ECU)) | 
(a) Disconnect the N36 central gateway ECU (network gateway ECU) connector.
(b) Measure the resistance according to the value(s) in the table below.
 Text in Illustration
 Text in Illustration
| *1 | DLC3 | - | - | 
| *a | Front view of wire harness connector (to No. 6 CAN Junction Connector) | *b | to Central Gateway ECU (Network Gateway ECU) | 
Standard Resistance:
| Tester Connection | Condition | Specified Condition | 
|---|---|---|
| J22-9 (CANH) - D4-16 (BAT) | Cable disconnected from negative (-) battery terminal | 6 kΩ or higher | 
| J22-20 (CANL) - D4-16 (BAT) | ||
| J22-10 (CANH) - D4-16 (BAT) | Cable disconnected from negative (-) battery terminal | 6 kΩ or higher | 
| J22-21 (CANL) - D4-16 (BAT) | 
| OK | .gif)  | REPLACE CENTRAL GATEWAY ECU (NETWORK GATEWAY ECU) | 
| NG | .gif)  | REPAIR OR REPLACE CAN MAIN BUS LINE OR CONNECTOR (NO. 6 CAN JUNCTION CONNECTOR - CENTRAL GATEWAY ECU (NETWORK GATEWAY ECU)) | 
| 3. | CHECK FOR SHORT TO B+ IN CAN BUS LINES (ECU, SENSOR) | 
| (a) Reconnect the CAN junction connector. | 
 | 
(b) Disconnect the connector that includes terminals CANH and CANL from the ECU or sensor to which the bus line shorted to +B is connected
(c) Measure the resistance according to the value(s) in the table below.
Standard Resistance:
| Tester Connection | Condition | Specified Condition | 
|---|---|---|
| N36-6 (CA3H) - D4-16 (BAT) | Cable disconnected from negative (-) battery terminal | 6 kΩ or higher | 
| N36-21 (CA3L) - D4-16 (BAT) | Cable disconnected from negative (-) battery terminal | 6 kΩ or higher | 
| *a | Component with harness connected (Central Gateway ECU (Network Gateway ECU)) | 
| *b | Front view of DLC3 | 
HINT:
If the resistance changes to 6 kΩ or higher when the connector is disconnected from the ECU or sensor, there may be a short in the ECU or sensor.
| OK | .gif)  | REPLACE ECU OR SENSOR | 
| NG | .gif)  | REPAIR OR REPLACE HARNESS OR CONNECTOR | 
 Open in One Side of Bus 2 Branch Line
Open in One Side of Bus 2 Branch Line Check Bus 3 Lines for Short Circuit
Check Bus 3 Lines for Short CircuitRegistered Device cannot be Deleted
   PROCEDURE
	
		
		1. 
		
		
		DELETE OPERATION
		
	
(a) Check if a registered portable player can be deleted normally.
OK: 
Registered portable player can be deleted normally.
	
		OK
		 
		
		END
		
	
	
		NG
		 
		
		PROCEED TO NEXT SUSPECTED AREA SHOWN IN PROBLEM SYM ...
   
Inspection
   INSPECTION
PROCEDURE
1. INSPECT POWER WINDOW REGULATOR MOTOR ASSEMBLY (for Power Slide Type)
	
		
		*a
		
		
		Component without harness connected
		(Power Window Regulator Motor Assembly)
		
	
	
		
		*b
		
		
		Clockwise
		
	
	
		
		*c
		
		
		Counterclockwise
		
	
	 ...
   
Transfer L4 Position Switch Circuit (C1268)
   DESCRIPTION
	
		
		DTC No.
		
		
		Detection Item
		
		
		DTC Detection Condition
		
		
		Trouble Area
		
	
	
		
		C1268
		
		
		Transfer L4 Position Switch Circuit
		
		
		Either of the following is detected:
		
			
				The skid control ECU (brake actuator assembly) dete ...