Toyota Tacoma manuals

Toyota Tacoma (2015-2018) Service Manual: Check Bus 5 Line for Short to GND

DESCRIPTION

There may be a short circuit between one of the CAN bus lines and GND when there is no resistance between terminal 15 (CA5H) of the central gateway ECU (network gateway ECU) and terminal 4 (CG) of the DLC3, or terminal 16 (CA5L) of the central gateway ECU (network gateway ECU) and terminal 4 (CG) of the DLC3.

Detection Item

Trouble Area

No resistance exists between terminal 15 (CA5H) of the central gateway ECU (network gateway ECU) and terminal 4 (CG) of the DLC3, or terminal 16 (CA5L) of the central gateway ECU (network gateway ECU) and terminal 4 (CG) of the DLC3.

  • Short to GND in CAN main lines
  • Short to GND in CAN branch lines
  • Central gateway ECU (network gateway ECU)
  • Forward recognition camera*1
  • Clearance warning ECU assembly*2
  • Millimeter wave radar sensor assembly*1
  • Blind spot monitor sensor LH*3
  • No. 4 CAN junction connector
  • No. 5 CAN junction connector
  • No. 6 CAN junction connector
  • *1: w/ Toyota Safety Sense P
  • *2: w/ Intuitive Parking Assist System
  • *3: w/ Blind Spot Monitor System

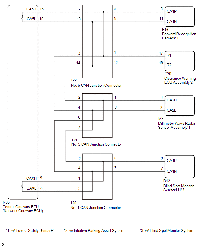
WIRING DIAGRAM

CAUTION / NOTICE / HINT

CAUTION / NOTICE / HINT

CAUTION:

When performing the confirmation driving pattern, obey all speed limits and traffic laws.

NOTICE:

  • Because the order of diagnosis is important to allow correct diagnosis, make sure to begin troubleshooting using How to Proceed with Troubleshooting when CAN communication system related DTCs are output.

    Click here

  • Before measuring the resistance of the CAN bus, turn the ignition switch off and leave the vehicle for 1 minute or more without operating the key or any switches, or opening or closing the doors. After that, disconnect the cable from the negative (-) battery terminal and leave the vehicle for 1 minute or more before measuring the resistance.
  • After turning the ignition switch off, waiting time may be required before disconnecting the cable from the negative (-) battery terminal. Therefore, make sure to read the disconnecting the cable from the negative (-) battery terminal notices before proceeding with work.

    Click here

  • Some parts must be initialized and set when replacing or removing and installing parts.

    Click here

  • After performing repairs, perform the DTC check procedure and confirm that the DTCs are not output again.

    DTC check procedure: Turn the ignition switch to ON and wait for 1 minute or more. Then operate the suspected malfunctioning system and drive the vehicle at 60 km/h (37 mph) or more for 5 minutes or more.

  • After the repair, perform the CAN bus check and check that all the ECUs and sensors connected to the CAN communication system are displayed as normal.

    Click here

HINT:

  • Before disconnecting related connectors for inspection, push in on each connector body to check that the connector is not loose or disconnected.
  • When a connector is disconnected, check that the terminals and connector body are not cracked, deformed or corroded.

PROCEDURE

1.

CHECK FOR SHORT TO GND IN CAN BUS LINE (NO. 6 CAN JUNCTION CONNECTOR)

(a) Disconnect the cable from the negative (-) battery terminal.

(b) Disconnect the No. 6 CAN junction connector.

(c) Measure the resistance according to the value(s) in the table below.

*1

DLC3

-

-

*a

Front view of wire harness connector

(to No. 6 CAN Junction Connector)

*b

to Clearance Warning ECU Assembly

(w/ Intuitive Parking Assist System)

*c

to Central Gateway ECU (Network Gateway ECU)

*d

to No. 5 CAN Junction Connector

*e

to Forward Recognition Camera

(w/ Toyota Safety Sense P)

-

-

Standard Resistance:

Tester Connection

Condition

Specified Condition

Connected to

J22-1 (CANH) - D4-4 (CG)

Cable disconnected from negative (-) battery terminal

200 Ω or higher

Clearance warning ECU assembly*1

J22-12 (CANL) - D4-4 (CG)

J22-2 (CANH) - D4-4 (CG)

Cable disconnected from negative (-) battery terminal

200 Ω or higher

Central gateway ECU (network gateway ECU)

J22-13 (CANL) - D4-4 (CG)

J22-3 (CANH) - D4-4 (CG)

Cable disconnected from negative (-) battery terminal

200 Ω or higher

No. 5 CAN junction connector

J22-14 (CANL) - D4-4 (CG)

J22-4 (CANH) - D4-4 (CG)

Cable disconnected from negative (-) battery terminal

200 Ω or higher

Forward recognition camera*2

J22-15 (CANL) - D4-4 (CG)

  • *1: w/ Intuitive Parking Assist System
  • *2: w/ Toyota Safety Sense P
Result

Result

Proceed to

OK

A

NG (Central gateway ECU (network gateway ECU) CAN main line)

B

NG (No. 5 CAN junction connector CAN main line)

C

NG (ECU or sensor CAN branch lines)

D

A

REPLACE NO. 6 CAN JUNCTION CONNECTOR

C

GO TO STEP 3

D

GO TO STEP 6

B

2.

CHECK FOR SHORT TO GND IN CAN BUS LINE (NO. 6 CAN JUNCTION CONNECTOR - CENTRAL GATEWAY ECU (NETWORK GATEWAY ECU))

(a) Disconnect the N36 central gateway ECU (network gateway ECU) connector.

(b) Measure the resistance according to the value(s) in the table below.

*1

DLC3

-

-

*a

Front view of wire harness connector

(to No. 6 CAN Junction Connector)

*b

to Central Gateway ECU (Network Gateway ECU)

Standard Resistance:

Tester Connection

Condition

Specified Condition

J22-1 (CANH) - D4-4 (CG)

Cable disconnected from negative (-) battery terminal

200 Ω or higher

J22-12 (CANL) - D4-4 (CG)

OK

REPLACE CENTRAL GATEWAY ECU (NETWORK GATEWAY ECU)

NG

REPAIR OR REPLACE CAN MAIN BUS LINE OR CONNECTOR (NO. 6 CAN JUNCTION CONNECTOR - CENTRAL GATEWAY ECU (NETWORK GATEWAY ECU))

3.

CHECK FOR SHORT TO GND IN CAN BUS LINE (NO. 5 CAN JUNCTION CONNECTOR)

(a) Disconnect the No. 5 CAN junction connector.

(b) Measure the resistance according to the value(s) in the table below.

*1

DLC3

-

-

*a

Front view of wire harness connector

(to No. 5 CAN Junction Connector)

*b

to Millimeter Wave Radar Sensor Assembly

(w/ Toyota Safety Sense P)

*c

to No. 6 CAN Junction Connector

*d

to No. 4 CAN Junction Connector

Standard Resistance:

Tester Connection

Condition

Specified Condition

Connected to

J21-1 (CANH) - D4-4 (CG)

Cable disconnected from negative (-) battery terminal

200 Ω or higher

Millimeter wave radar sensor assembly*1

J21-3 (CANL) - D4-4 (CG)

J21-2 (CANH) - D4-4 (CG)

Cable disconnected from negative (-) battery terminal

200 Ω or higher

No. 6 CAN junction connector

J21-4 (CANL) - D4-4 (CG)

J21-6 (CANH) - D4-4 (CG)

Cable disconnected from negative (-) battery terminal

200 Ω or higher

No. 4 CAN junction connector

J21-7 (CANL) - D4-4 (CG)

  • *1: w/ Toyota Safety Sense P
Result

Result

Proceed to

OK

A

NG (No. 4 CAN junction connector CAN main line)

B

NG (No. 6 CAN junction connector CAN main line)

C

NG (ECU or sensor CAN branch lines)

D

A

REPLACE NO. 5 CAN JUNCTION CONNECTOR

C

REPAIR OR REPLACE CAN MAIN BUS LINE OR CONNECTOR (NO. 5 CAN JUNCTION CONNECTOR - NO. 6 CAN JUNCTION CONNECTOR)

D

GO TO STEP 6

B

4.

CHECK FOR SHORT TO GND IN CAN BUS LINE (NO. 4 CAN JUNCTION CONNECTOR)

(a) Disconnect the No. 4 CAN junction connector.

(b) Measure the resistance according to the value(s) in the table below.

*1

DLC3

-

-

*a

Front view of wire harness connector

(to No. 4 CAN Junction Connector)

*b

to Central Gateway ECU (Network Gateway ECU)

*c

to No. 5 CAN Junction Connector

*d

to Blind Spot Monitor Sensor LH

(w/ Blind Spot Monitor System)

Standard Resistance:

Tester Connection

Condition

Specified Condition

Connected to

J20-1 (CANH) - D4-4 (CG)

Cable disconnected from negative (-) battery terminal

200 Ω or higher

Central gateway ECU (network gateway ECU)

J20-3 (CANL) - D4-4 (CG)

J20-2 (CANH) - D4-4 (CG)

Cable disconnected from negative (-) battery terminal

200 Ω or higher

No. 5 CAN junction connector

J20-4 (CANL) - D4-4 (CG)

J20-6 (CANH) - D4-4 (CG)

Cable disconnected from negative (-) battery terminal

200 Ω or higher

Blind spot monitor sensor LH*1

J20-7 (CANL) - D4-4 (CG)

  • *1: w/ Blind Spot Monitor System
Result

Result

Proceed to

OK

A

NG (Central gateway ECU (network gateway ECU) CAN main line)

B

NG (No. 5 CAN junction connector CN main line)

C

NG (ECU or sensor CAN branch lines)

D

A

REPLACE NO. 4 CAN JUNCTION CONNECTOR

C

REPAIR OR REPLACE CAN MAIN BUS LINE OR CONNECTOR (NO. 4 CAN JUNCTION CONNECTOR - NO. 5 CAN JUNCTION CONNECTOR)

D

GO TO STEP 6

B

5.

CHECK FOR SHORT TO GND IN CAN BUS LINE (NO. 4 CAN JUNCTION CONNECTOR - CENTRAL GATEWAY ECU (NETWORK GATEWAY ECU))

(a) Disconnect the N36 central gateway ECU (network gateway ECU) connector.

(b) Measure the resistance according to the value(s) in the table below.

*1

DLC3

-

-

*a

Front view of wire harness connector

(to No. 4 CAN Junction Connector)

*b

to Central Gateway ECU (Network Gateway ECU)

Standard Resistance:

Tester Connection

Condition

Specified Condition

J20-1 (CANH) - D4-4 (CG)

Cable disconnected from negative (-) battery terminal

200 Ω or higher

J20-3 (CANL) - D4-4 (CG)

OK

REPLACE CENTRAL GATEWAY ECU (NETWORK GATEWAY ECU)

NG

REPAIR OR REPLACE CAN MAIN BUS LINE OR CONNECTOR (NO. 4 CAN JUNCTION CONNECTOR - CENTRAL GATEWAY ECU (NETWORK GATEWAY ECU))

6.

CHECK FOR SHORT TO GND IN CAN BUS LINES (ECU, SENSOR)

(a) Reconnect the CAN junction connector.

*a

Component with harness connected

(Central Gateway ECU (Network Gateway ECU))

*b

Front view of DLC3

(b) Disconnect the connector that includes terminals CANH and CANL from the ECU or sensor to which the bus line shorted to GND is connected.

(c) Measure the resistance according to the value(s) in the table below.

Standard Resistance:

Tester Connection

Condition

Specified Condition

N36-15 (CA5H) - D4-4 (CG)

Cable disconnected from negative (-) battery terminal

200 Ω or higher

N36-16 (CA5L) - D4-4 (CG)

Cable disconnected from negative (-) battery terminal

200 Ω or higher

HINT:

If the resistance changes to 200 Ω or higher when the connector is disconnected from the ECU or sensor, there may be a short in the ECU or sensor.

OK

REPLACE ECU OR SENSOR

NG

REPAIR OR REPLACE HARNESS OR CONNECTOR

Check Bus 5 Line for Short to +B
DESCRIPTION There may be a short circuit between one of the CAN bus lines and +B when no resistance exists between terminal 15 (CA5H) of the central gateway ECU (network gateway ECU) and terminal ...

Open in One Side of Bus 5 Branch Line
DESCRIPTION When the CAN bus main lines are normal (no open, short to ground, short to +B or short between lines) and there is an ECU or sensor on the "Communication Bus Check" screen t ...

Other materials:

Vehicle Speed Signal Malfunction (B2282,B2283)
DESCRIPTION DTC B2282 is stored when the vehicle speed signal sent by the combination meter assembly via direct line and the vehicle speed signal sent via CAN communication do not match. DTC B2283 is stored when a malfunction in the vehicle speed sensor is detected. HINT: When the cable is d ...

Problem Symptoms Table
PROBLEM SYMPTOMS TABLE HINT: Use the table below to help determine the causes of the problem symptom. The potential causes of the symptoms are listed in order of probability in the "Suspected Area" column of the table. Check each symptom by checking the suspected area ...

Data List / Active Test
DATA LIST / ACTIVE TEST DATA LIST HINT: Using the Techstream to read the Data List allows the values or states of switches, sensors, actuators and other items to be read without removing any parts. This non-intrusive inspection can be very useful because intermittent conditions or signals may ...

© 2011-2025 Copyright www.ttguide.net