Toyota Tacoma manuals

Toyota Tacoma (2015-2018) Service Manual: System Diagram

SYSTEM DIAGRAM

Transmitting ECU (Transmitter)

Receiving ECU

Signal

Communication Method

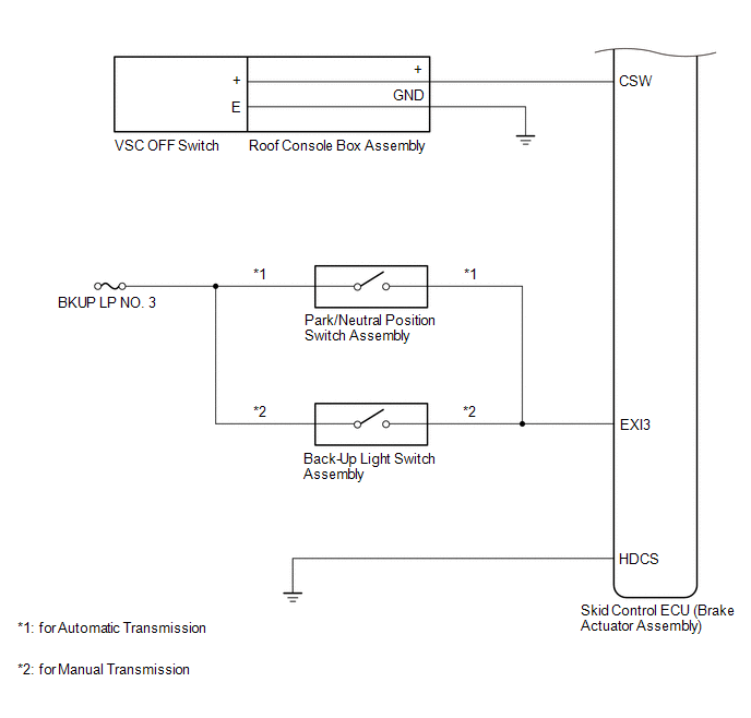
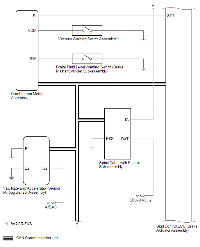
Skid control ECU (Brake actuator assembly)

Steering angle sensor (Spiral cable with sensor sub-assembly)

Steering angle sensor request signal

CAN communication system

Steering angle sensor (Spiral cable with sensor sub-assembly)

Skid control ECU (Brake actuator assembly)

Steering angle sensor signal

CAN communication system

Skid control ECU (Brake actuator assembly)

Yaw rate and acceleration sensor (Airbag sensor assembly)

Yaw rate and acceleration request signal

CAN communication system

Yaw rate and acceleration sensor (Airbag sensor assembly)

Skid control ECU (Brake actuator assembly)

Yaw rate and acceleration signal

CAN communication system

Skid control ECU (Brake actuator assembly)

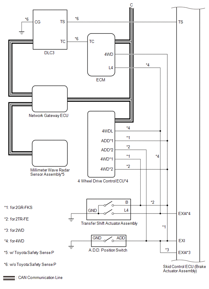
ECM

  • Wheel speed signal
  • VSC data signal

CAN communication system

ECM

Skid control ECU (Brake actuator assembly)

  • Shift position signal
  • Throttle position signal
  • Engine speed signal
  • Intake air temperature signal
  • Engine torque request signal
  • Accelerator pedal position signal
  • Diagnosis (TC terminal) signal*4

CAN communication system

Skid control ECU (Brake actuator assembly)

Combination meter assembly

  • ABS warning light signal
  • Brake warning light signal
  • VSC OFF indicator light signal
  • Slip indicator light signal
  • TRAC OFF indicator light

CAN communication system

Wheel speed signal

Serial communication

4 wheel drive control ECU*3

Skid control ECU (Brake actuator assembly)

  • 4WD position signal*1
  • L4 position signal*1
  • Rear differential lock position signal*2

CAN communication system

  • *1: for 4WD
  • *2: w/ Rear Differential Lock
  • *3: for 4WD or with Rear Differential Lock
  • *4: w/o Toyota Safety Sense P
System Description
SYSTEM DESCRIPTION 1. FUNCTION DESCRIPTION (a) ABS (Anti-lock Brake System) (1) The ABS helps prevent the wheels from locking when the brakes are applied firmly or when braking on a slippery surf ...

Check For Intermittent Problems
CHECK FOR INTERMITTENT PROBLEMS 1. CHECK FOR INTERMITTENT PROBLEMS HINT: A momentary interruption (open circuit) in the connectors and/or wire harnesses between the sensors and ECUs can be detect ...

Other materials:

Using a Bluetooth® phone
The hands-free system is a function that allows you to use your cellular phone without touching it. This system supports Bluetooth®. Bluetooth® is a wireless data system that allows the cellular phone to wirelessly connect to the hands-free system and make/receive calls. Before making a ph ...

Lost Communication with ECM / PCM "A" (U0100,U0129,U0142,U0151,U0163,U023A,U1104)
DESCRIPTION The combination meter communicates with the ECM, skid control ECU, power steering ECU, main body ECU (multiplex network body ECU), airbag sensor assembly, navigation receiver assembly*1, radio and display receiver assembly*2, Forward recognition camera*3 and Millimeter wave radar ...

Removal
REMOVAL PROCEDURE 1. PRECAUTION NOTICE: After turning the ignition switch off, waiting time may be required before disconnecting the cable from the negative (-) battery terminal. Therefore, make sure to read the disconnecting the cable from the negative (-) battery terminal notices before pr ...

© 2011-2025 Copyright www.ttguide.net