Toyota Tacoma manuals

Toyota Tacoma (2015-2018) Service Manual: Sound Signal Circuit between Radio Receiver and Stereo Component Amplifier

Toyota Tacoma (2015-2018) Service Manual / Navigation / Multi Info Display / Navigation System / Sound Signal Circuit between Radio Receiver and Stereo Component Amplifier

DESCRIPTION

The navigation receiver assembly sends a sound signal to the stereo component amplifier assembly via this circuit.

The sound signal that has been sent is amplified by the stereo component amplifier assembly, and then is sent to the speakers.

If there is an open or short in the circuit, sound cannot be heard from the speakers even if there is no malfunction in the stereo component amplifier assembly or speakers.

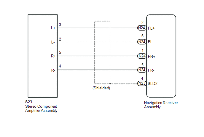
WIRING DIAGRAM

PROCEDURE

PROCEDURE

1.

CHECK HARNESS AND CONNECTOR (NAVIGATION RECEIVER ASSEMBLY - STEREO COMPONENT AMPLIFIER ASSEMBLY)

(a) Disconnect the N23 and N24 navigation receiver assembly connector.

(b) Disconnect the S23 stereo component amplifier assembly connector.

(c) Measure the resistance according to the value(s) in the table below.

Standard Resistance:

Tester Connection

Condition

Specified Condition

S23-3 (L+) - N24-2 (FL+)

Always

Below 1 Ω

S23-2 (L-) - N24-6 (FL-)

Always

Below 1 Ω

S23-5 (R+) - N24-1 (FR+)

Always

Below 1 Ω

S23-4 (R-) - N24-5 (FR-)

Always

Below 1 Ω

S23-3 (L+) - Body ground

Always

10 kΩ or higher

S23-2 (L-) - Body ground

Always

10 kΩ or higher

S23-5 (R+) - Body ground

Always

10 kΩ or higher

S23-4 (R-) - Body ground

Always

10 kΩ or higher

N23-4 (SLD2) - Body ground

Always

10 kΩ or higher

OK

PROCEED TO NEXT SUSPECTED AREA SHOWN IN PROBLEM SYMPTOMS TABLE

NG

REPAIR OR REPLACE HARNESS OR CONNECTOR

Speaker Circuit
DESCRIPTION If there is a short in a speaker circuit, the stereo component amplifier assembly*1 or navigation receiver assembly*2 detects it and stops output to the speakers. Thus sound cannot be ...

Data Signal Circuit between Stereo Jack Adapter and Extension Module
DESCRIPTION The No. 1 stereo jack adapter assembly sends the sound data signal or image data signal from a USB device to the navigation receiver assembly via this circuit. WIRING DIAGRAM PROCED ...

Other materials:

Disassembly
DISASSEMBLY PROCEDURE 1. REMOVE REAR AXLE SHAFT SNAP RING (a) Using a snap ring expander, remove the snap ring. 2. REMOVE REAR AXLE SHAFT (a) Using SST and press, remove the rear axle shaft. SST: 09521-25011 SST: 09521-25021 3. REMOVE REAR AXLE BEARING RETAINER INNER (a) Remove the rear ...

Problem Symptoms Table
PROBLEM SYMPTOMS TABLE HINT: Use the table below to help determine the cause of problem symptoms. If multiple suspected areas are listed, the potential causes of the symptoms are listed in order of probability in the "Suspected Area" column of the table. Check each sy ...

Air Outlet Damper Position Sensor Circuit (B1433/33)
DESCRIPTION This sensor detects the position of the mode damper and sends the appropriate signals to the air conditioning amplifier assembly. The position sensor is built into the No. 1 air conditioning radiator damper servo sub-assembly (for mode switching). DTC No. DTC ...

© 2011-2026 Copyright www.ttguide.net